产品中心PRODUCTS CENTER
联系我们
东莞市常联线盘有限公司
全国咨询热线:0769-85128615
手机:13326869727
电话:0769-85128615
传真:0769-82790746
地址:东莞市虎门北栅西坊路87号B栋三楼
当前位置:首页 » 包装绕线盘,出货线盘,塑料线盘工字
包装交货用盘

包装绕线盘,出货线盘,塑料线盘工字
产品分类:包装交货用盘
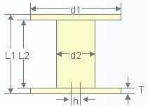
产品介绍: 线盘性能1.包装交货用;2.主要用于包装电线电缆、绳带和胶管;3.材料符合ROHS要求,通过质量认证;4.具体设计和尺寸可根据客户需求定制;5.可以为您提供专业化的建议。 线盘示意图: 盘片直径(d1):300mm筒体直径(d2):100mm
订购热线: 0769-85128615
133-2686-9727
上一篇::线轴,30厘米塑料包装盘,出货用线盘
下一篇::线盘 包装绳带线盘 灯带专用线盘 尺寸可定做






